Translate
Sunday, January 29, 2023
Ballet
Saturday, January 28, 2023
Thursday, January 26, 2023
Thursday, January 19, 2023
TRAPEZOID
Labels: pcb ,schematics ,vacationoffcourse
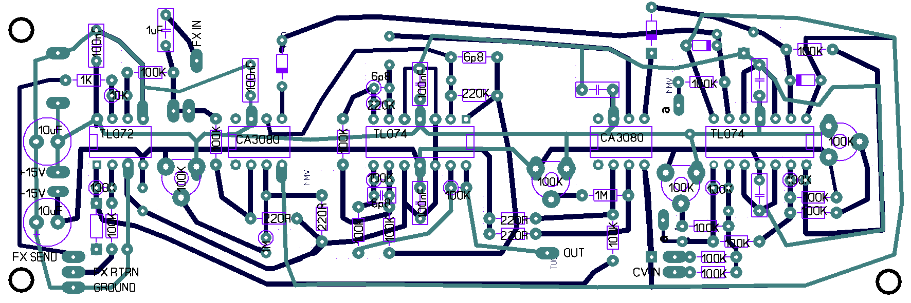
PCB Layout
VC AUX
Labels: pcb ,schematics ,vacationoffcourse
PCB Layout
Wednesday, January 18, 2023
Buchla 194
This PCB has option to add 2 more bands by your choice ,taken from Ian Fritz
Electronotes published filter bank ,so you'd need schematics for that to add aditional 2 bands
,it will work without that addition .
This is verified working layout.
Labels: pcb ,schematics ,vacationoffcourse
Buchla,
PCB Layout
Friday, January 13, 2023
Hagiwo Additive Dual VCO
Labels: pcb ,schematics ,vacationoffcourse
PCB Layout
Sunday, January 8, 2023
Tube Theremin
Subscribe to:
Comments (Atom)




